Kaiyun电子电竞
当前位置:首页
Kaiyun电子电竞
kaiyun官方网站体育
kaiyun官网
HYND-50-G高温开云体育手机ap

产品型号:HYND-50-G
更新时间:2025-08-27
厂商性质:生产厂家
访问量:223
服务热线
产品分类
相关文章


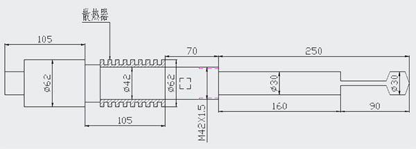
HYND-50-G高温开云体育手机ap用于测量液体石油产品,如原油、重油、润滑油等的粘度,为生产过程提供参考。高温溶体测量中,如光学玻璃,金属玻璃、陶瓷溶液等。
| 型号 | HYND-50-G开云体育手机ap |
| 测量参数 | 粘度量程0~10-106 mpa.s (粘度计规格任选);精度±0.5%;重复性±0.3%; 温度量程-50~+500℃(任选),精度±0.5%, |
| 环境参数 | 介质温度-40~+450℃,耐压范围≤32Mpa, 环境温度-40~+85℃,环境湿度0-95%R.H |
| 输出参数 | 粘度4-20mADC;温度4-20mADC, Modbus |
| 响应时间 | ≤2S |
| 供电电源 | 24V DC |
| 防护等级 | IP67 |
| 防爆标准 | ExdIIBT6 |
| 插入深度 | L= 100mm-500mm |
| 传感器材料 | 316 不锈钢(标配)、哈氏合金C276(可选配);高度磨光;加铁氟龙涂层可选。 |
| 应用领域 | 广泛应用于石油开采,炼油,化工,硅油硅胶,树脂,食品,化纤,油墨,油漆,光纤,乳胶,溶剂,塑料,玻璃,航空煤油,各种制胶等行业。 |
| 安装方式 | 管道、压力容器、反应釜、法兰处直接安装。 |
| 配置 | 带液晶显示表头一体、分体,插入深度150-300mm,含法兰dn25,40,50,80,螺纹M32*1.5,M42*1.5,G1½ |
联系微信
Copyright © 2025kaiyun电竞官方网入口登录 All Rights Reserved 工信部备案号:沪ICP备2022008352号-3
技术支持:化工仪器网 管理登录 sitemap.xml